01²úÆ·¸ÅÊö
CA-IS3115X ÊÇÒ»¿îÖ§³Ö 2.5/5.0kVRMS ¸ôÀëÄÍѹµÄ DC-DC ת»»Æ÷оƬ£¬¸ÃоƬ½ÓÄÉÌØÓпØÖƼܹ¹£¬Äܹ»¿ìËÙÏìÓ¦¸ºÔØ×ª±ä£¬²¢ÇÒ׼ȷµ÷ÀíÊä³öµçѹ¡£CA-IS3115X ¿ÉÌæ»»¹Å°å·ÖÁ¢Æ÷¼þ×齨µÄ¸ôÀëµçÔ´¼Æ»®£¬¸Ã¼Æ»®ÎïÀí³ß´ç¸üС£¬ÇÒÄܹ»ÊµÏÖÍêÈ«¸ôÀë¡£
CA-IS3115X ¼¯³ÉÈíÆô¶¯¡¢¶Ì·±£»¤¡¢¹ýα£»¤µÈ¶àÖÖ±£»¤¹¦Ð§ÒÔ¸üºÃµØÔöǿϵͳµÄ¿É¿¿ÐÔ¡£CA-IS3115X ¾ßÓÐ EN ʹÄܹܽţ¬µ± EN ΪµÍµçƽʱ£¬Êä³öµçѹΪÁ㣬´Ëʱ µçÔ´½öÓÐ΢°²¼¶´ý»úÊäÈëµçÁ÷¡£

02²úÆ·ÌØÕ÷
? ¼¯³É¸ßЧÂ浀 DC-DC ת»»Æ÷ºÍƬÉϱäѹÆ÷
- ÄÚÖÃÈíÆô¶¯µç·À´±ÜÃâÀËÓ¿µçÁ÷ºÍÊä³ö¹ý³å
- ÊÂÇéÔÚ Hiccup ģʽµÄ¶Ì·±£»¤
- ¹ýÈȹضϱ£»¤¹¦Ð§
? ¿íÊäÈëµçѹ¹æÄ££º4.5 V ~ 5.5 V
? Êä³öµçѹ¿ÉÑ¡£º
- 3.3V »ò 5.0V£»
- 3.7V »ò 5.4V£¬Ö§³ÖÔÚ DC-DC ºó½Ó LDO
? Êä³öµä·¶¹¦ÂÊ£º1.5W (5V/300mA)
? ÓÅÒìµÄ¸ºÔØË²Ì¬ÏìÓ¦
? ¿íÊÂÇéζȹæÄ££º-40 ¡ãC ~ 125 ¡ãC
? ÇÐºÏ EN55032 Class-B ¼¶ EMI ±ê×¼
? ESD£º¡À2kV HBM£¬¡À2kV CDM
? ¸ß CMTI£º¡À150 kV/?s£¨µä·¶£©
? ÓÅÒìµÄ¸ôÀëÐÔÄÜ£º
- UL 1577 ±ê׼ϣ¬³¤´ï 1 ·ÖÖ 5kVRMS ¸ôÀëÄÍ Ñ¹(CA-IS3115AW)
- UL 1577 ±ê׼ϣ¬³¤´ï 1 ·ÖÖ 2.5kVRMS ¸ôÀë ÄÍѹ(CA-IS3115BW)
- ÇÐºÏ DIN V VDE V 0884-11:2017-01 ±ê×¼µÄ 7070VPK VIOTM ºÍ 2121VPK VIORM (CA-IS3115AW)
- ¸ôÀëÕ¤ÊÙÃü£º>40 Äê
? ÇÐºÏ RoHS ±ê×¼·â×°£ºSOIC16-WB£¨W£©

03µä·¶Ó¦ÓÃ
? ¹¤Òµ×Ô¶¯»¯¿ØÖÆÏµÍ³
? µç»ú¿ØÖÆ
? ¹â·üÄæ±ä
? ´¢ÄÜ
? µçÍø»ù´¡×°±¸
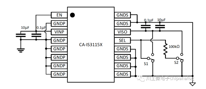
04Ó¦Óÿòͼ

