01²úÆ·¸ÅÊö
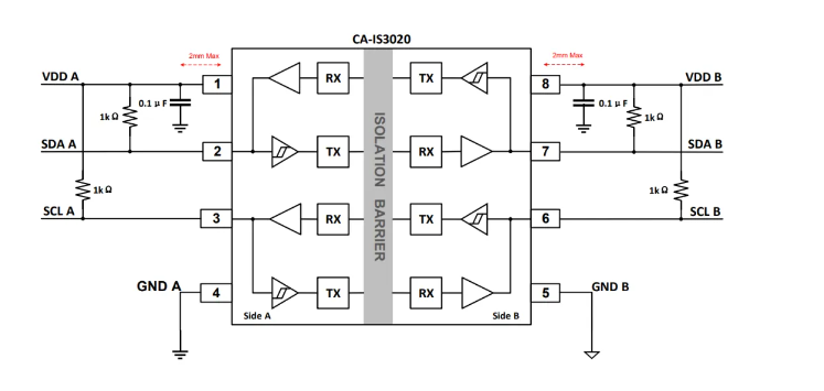
CA-IS3020WGΪÍêÕûµÄË«Ïò¡¢Ë«Í¨µÀÊý×Ö¸ôÀëÆ÷£¬¿ÉÌṩ7.5kVRMSµçÆø¸ôÀ룬ÒÔ¼°¸ß´ï¡À150kV/¦ÌsµÄµä·¶CMTI¡£ËùÓÐÆ÷¼þµÄÊäÈë½ÓÄÉÊ©ÃÜÌØ´¥·¢Æ÷£¬Ìá¸ß¿¹×ÌÈÅÄÜÁ¦¡£Ã¿¸ö¸ôÀëͨµÀµÄÊý×ÖÊäÈëÓëÊä³öͨ¹ý¶þÑõ»¯¹è(SiO2)¾øÔµ²ã¸ôÀ룬Ìṩ½Ï¸ßµÄµç´Å×ÌÈÅÒÖÖÆºÍµÍEMIÌØÕ÷¡£¸ß¼¯³É¶ÈÉè¼Æ½öÐèÁ½¸öÍⲿVDDA¡¢VDDBÅÔ·µçÈݺÍÉÏÀµç×裬¼´¿É×é³ÉI2C¸ôÀë½Ó¿Ú¡£
CA-IS3020WG¿ÉÖ§³ÖDCÖÁ2.0MHz´«ÊäËÙÂÊ£¬ÌṩÁ½Â·Ë«Ïò¡¢¿ªÂ©Êä³ö¸ôÀëͨµÀ£¬ÓÃÓÚÖ§³Ö¶àÖ÷»úI2CµÈÐèÒªÔÚͳһ×ÜÏßË«Ïò´«ÊäÊý¾Ý»òʱÖÓµÄË«Ïò¸ôÀëÓ¦Óá£Æ÷¼þA²à(VDDA)¡¢B²à(VDDB)µ¥¶À¹©µç£¬¹©µçµçѹ¹æÄ£Îª3.0VÖÁ5.5V¡£
CA-IS3020WG¿ÉÊÂÇéÔÚ-40¡ãCÖÁ+125¡ãCζȹæÄ££¬½ÓÄÉ8Òý½Å³¬¿íÌåSOIC·â×°¡£ÓÉÓڽϿíµÄÊÂÇéζȹæÄ£ºÍ½Ï¸ßµÄ¸ôÀëÄÍѹ£¬¸ÃϵÁÐÆ÷¼þÊÊÓÃÓÚÇ¿×ÌÈŵĹ¤ÒµÇéÐΡ£
02²úÆ·ÌØÕ÷
? Ö§³ÖDC ÖÁ 2.0MHzË«ÏòÊý¾Ý´«Êä ? ¿É¿¿µÄÊý×ÖÐÅºÅµçÆø¸ôÀë - ½Ï³¤µÄÊÂÇéÊÙÃü£º > 40Äê - Ìṩ7.5kVRMS(³¬¿íÌåSOIC)µçÆø¸ôÀë - ¡À150kV/¦Ìsµä·¶CMTI - Ê©ÃÜÌØ´¥·¢ÊäÈëÌá¸ß¿¹×ÌÈÅÄÜÁ¦ - ½Ï¸ßµÄµç´ÅÒÖÖÆ£¬¿ÉÔâÊÜ×î¸ß¡À12.8kVÀËÓ¿ - ¡À8kV ESD±£»¤(ÈËÌåģʽ) ? ¿ªÂ©Êä³ö£º - A²à¿ÉÖ§³Ö×î¸ß3.5mA¹àµçÁ÷ - B²à¿ÉÖ§³Ö×î¸ß35mA¹àµçÁ÷ ? 3.0VÖÁ5.5V¿íѹÊÂÇ鹿ģ ? ½Ï¿íµÄÊÂÇéζȹæÄ££º-40¡ãC to 125¡ãC ? Ìṩ³¬¿íÌåSOIC8-WWB (WG)·â×° 03·â×°±ÈÕÕ


04Ó¦ÓÃÁìÓò
? I2C, SMBus, PMBus? ½Ó¿Ú
? µç»ú¿ØÖÆÏµÍ³
? Ò½ÁÆ×°±¸
? µç³ØÖÎÀíϵͳ
? ÒÇÆ÷ÒDZí
05µä·¶Ó¦ÓÃ

´¨ÍÁ΢µç×ÓCA-IS302XµÍ¹¦ºÄË«Ïò¸ôÀëI2C½Ó¿ÚÌṩ¸»ºñµÄ·â×°Ñ¡ÐÍ£¬°üÀ¨ÕÌåSOIC8¡¢¿íÌåSOIC8¡¢¿íÌåSOIC16ÒÔ¼°±¾´ÎÍÆ³öµÄ³¬¿íÌåSOIC8£¬Äܹ»³ä·ÖÖª×ã¿Í»§µÄÓ¦ÓÃÐèÇó£¬ÓÐÓö©¹ºÐͺÅÈçϱíËùʾ£º
×èÖ¹ÏÖÔÚ£¬´¨ÍÁ΢µç×Ó³¬¿íÏÏû³ÁÐÒÑÁ¿²úCA-IS38XX˫ͨµÀ¡¢ÈýͨµÀ¼°ËÄͨµÀÔöÇ¿¾øÔµÊý×Ö¸ôÀëÆ÷£¬±¾´ÎÍÆ³öµÄ³¬¿íÌå¸ôÀëI2C½Ó¿Ú¿ÉÌṩËÍÑù£¬¸ü¶à³¬¿íÏÏû³ÁвúÆ·£¬¾´ÇëÆÚ´ý£¡
